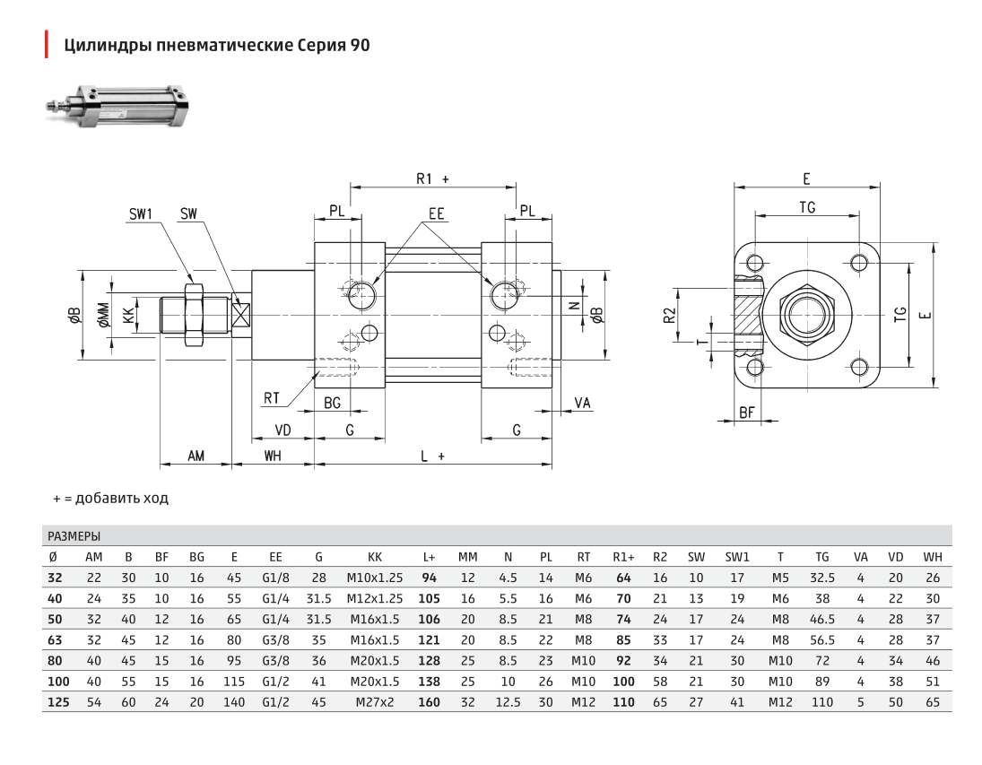
Цилиндры пневматические из нержавеющей стали Серии 90 с диаметрами 32, 40, 50, 63, 80, 100 и 125 мм.
Цилиндры этой серии предназначены для использования в экстремальных условиях окружающей среды,
например, на нефтяных платформах, морских судах, в фармацевтике, в атомной или пищевой промышленностях.
На поршне цилиндров установлен постоянный магнит. Положение поршня определяется магнитными датчиками
положения, закрепляемыми на цилиндре.
Цилиндры пневматические оснащены устройствами торможения в конце хода с регулировкой интенсивности.
Кроме того, поршень имеет пластиковые шайбы, обеспечивающие бесшумную остановку в крайних положениях.
• Соответствие стандартам
ISO 15552 и более раннему
DIN/ISO 6431/VDMA 24562
• Простые линии
• Нержавеющая сталь AISI 316
