Описание
Магистральные Фильтры высокой производительности в стальном корпусе.
Сменные фильтрующие элементы доступны к заказу.
Отвод конденсата осуществляется вручную.
Показать полностью
Свернуть
Характеристики
Бренд
SNS Пневматика
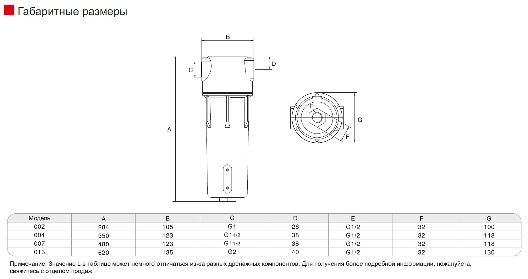
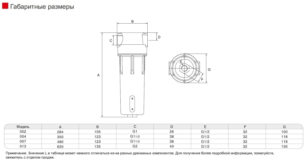
Резьба
G1 1/2
Давление
10 Бар
Расходные характеристики
5600 л/мин
Степень очистки
1 мкм
