Описание
Магистральные Фильтры высокой производительности в стальном корпусе.
Сменные фильтрующие элементы доступны к заказу.
Отвод конденсата осуществляется вручную.
Показать полностью
Свернуть
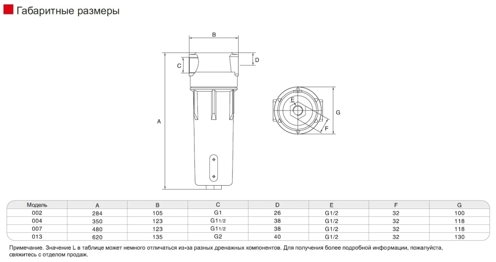
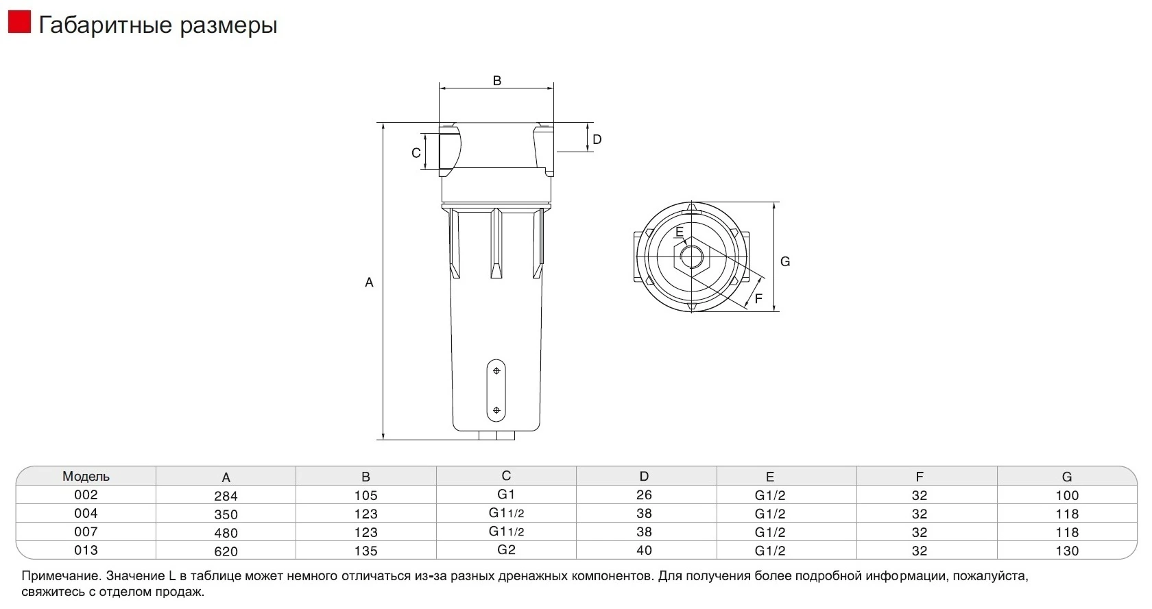
Характеристики
Бренд
SNS Пневматика
Резьба
G2
Давление
10 Бар
Расходные характеристики
16200 л/мин
Степень очистки
5 мкм
